• 黄瓜视频APP下载入口,黄瓜视频下载APP软件,黄瓜视频色版APP,黄瓜视频APPIOS下载

    歡迎訪問佛山市黄瓜视频下载APP软件傳感儀器有限公司官網!

    解決方案

    產品分類

    聯係黄瓜视频APP下载入口

    佛山市黄瓜视频下载APP软件傳感儀器有限公司

    聯係人:張總

    電話:0757-22300095

    手機:18902563858

    郵箱:931199351@qq.com

    傳真:0757-22300097

    地址:廣東省佛山市順德區勒流富安工業區光電產業園4棟303號

    網址:www.jk-tj.com


    廣州HDN-2071非接觸式動態扭矩傳感器

    您的當前位置: 首 頁 >> 產品中心 >> 廣州扭矩傳感器

    廣州HDN-2071非接觸式動態扭矩傳感器

    • 所屬分類:廣州扭矩傳感器

    • 點擊次數:
    • 發布日期:2024/11/30
    • 在線詢價
    • 詳細介紹

    【產品應用】

           HDN-2071非接觸式動態扭矩傳感器主要應用於滑輪動態扭矩力的測量,也適用於各種加工設備、自動機床、電動機、發動機、內燃機等旋轉動力設備,以及鐵路機車、工業風機、水泵、齒輪箱、扭力板手的扭矩和功率的檢測。


    【產品特點】

    ·非接觸式

    ·量程 100Nm

       ·輸出 10±5KHz, 4-20mA, ±5VDC, ±10VDC, RS485/232

       ·不鏽鋼軸

       ·最高轉速12000RPM

       ·可帶轉速輸出

       ·可帶麵板顯示扭矩/轉速/功率


    【主要技術參數】

    量程:0-50,100Nm

    供電電壓:12-24VDC

    精度:±0.1,±0.2%FS

    零點溫度影響:±0.02%FS

    滿度溫度影響:±0.02%FS

    補償溫度範圍:-10~60ºC

    工作溫度範圍:-20~75ºC

    扭矩輸出:10±5kHz ,4-20mA, ±5VDC, ±10VDC,RS485, RS232,CAN

    供電電流:小於 100mA

    電氣連接:PG7 出線螺母

    過載保護:200%FS

    材質:軸材料 17-4PH 不鏽鋼,外殼為鋁

    選項:

    轉速測量:最大轉速:12000RPM,60/30脈衝,4-20mA, 5V/TTL,±5VDC, ±10VDC,RS485, RS232, CAN


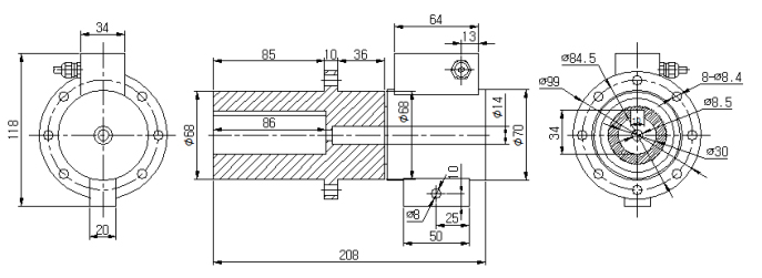
    【產品尺寸(單位mm)】

    滑輪動態扭矩傳感器尺寸


    本文網址:http://www.jk-tj.com/product/793.html

    關鍵詞:非接觸式動態扭矩傳感器,滑輪動態扭矩傳感器,動態扭矩傳感器

    最近瀏覽:

    歡迎給黄瓜视频APP下载入口留言
    請在此輸入留言內容,黄瓜视频APP下载入口會盡快與您聯係。
    姓名
    聯係人
    電話
    座機/手機號碼
    郵箱
    郵箱
    地址
    地址
    網站地圖